MegaProLogic Development Board for Arduino 2560 Mega
The MegaProLogic is an easy to use
CPLD development system.
Purchase at these webstores:
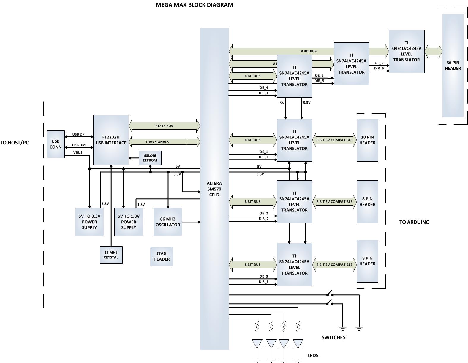
| The MegaProLogic makes programmable logic easy with an all inclusive development platform. It includes an Altera 5M570 CPLD, JTAG programmer, and a 32 General Purpose Inputs/Outputs. You can create your HDL code, program it into the CPLD and interact with the hardware via a Windows PC. |


Hardware Features:
|
| The MegaProLogic DVD provides detailed step by step instructions to quickly guide the user to create a project. The entire Quartus Prime Lite software is included on the DVD. This let's you bypass the lengthly download process involved in getting the 3.6 GB file. Once the Quartus software is on your desktop, we will show you how to create a project, write you first LED blinky code, compile and program the CPLD. |
|

Programming the CPLD
| The CPLD on the MegaProLogic can be programmed with the code created by the user. Programming is quick and easy. All that is required is a standard USB cable with a Micro B connector and the Quartus Software installed on the PC. There are no extra parts to buy - just plug in the USB cable and connect the MegaProLogic to the PC |
![]()

Connecting To Hobby Electronics Made Easy
| The MegaProLogic easily connects to other Hobby Electronics. The durable 74LVC82245 Bus Transceivers allow up to 50mA per Output on the Stackable Headers. This kind of power can drive all kinds of electronics such as long distance cables, LEDs, and high speed electronics. |
Programmable Logic Code Development
| It also provides a high speed data transfer mechanism between the MegaProLogic board and a host PC. The MegaProLogic development system provides a convenient, user-friendly work flow by connecting seamlessly with Altera’s Quartus Prime Lite software. The user will develop the code in the Quartus environment on a Windows Personal Computer. The programmable logic code is loaded into the CPLD using only the Quartus Programmer tool and a standard USB cable. The Active Host SDK provides a highly configurable communications interface between CPLD and host. It connects transparently with the Active Transfer Library in the CPLD code. This Active Host/Active Transfer combination eliminates the complexity of designing a USB communication system. No scheduling USB transfers, USB driver interface or inf file changes are needed. The MegaProLogic development systemis a unique combination of hardware and software. |
| Use the C# examples included in the DVD to create your own display Window on the PC.The user comes complete with tutorial to instruct the user to easily build a Windows program that can display any data from user code or other electronic device. The C# interface uses similar function calls to the Arduino function calls. |
Programming Features:
|
Kit Contents
| MegaProLogic kit contains the MegaProLogic and a DVD which includes the User Manual that walks the user through setting up the drivers, software, and the test application. There is also a full tutorial in writing your first CPLD project and C# application. All the code for the projects are included. |
Downloads
| 85-000040 | MegaProLogic CPLD Development System User Manual | MEGA_USB_PLD_DEV_SYS_UM.pdf |
| 95-000040 | MegaProLogic CPLD Development System Data Sheet | MEGA_USB_CPLD_DEV_SYS_DS.pdf |
| 45-000040 | MegaProLogic CPLD Development System Project DVD | MEGAPROLOGIC_USB_CPLD_PROJECT_2.6_DVD |
| 55-000040 | MegaProLogic CPLD Development System Schematics | MEGAPROLOGIC_SCHEMATICS.PDF |
| 35-000001 | EPT Drivers | EPT_2.08.24.ZIP |




Sorry, the comment form is closed at this time.